Tokuyama Complex
Tokuyama Complex began operations in 1957 as Idemitsu's first Refinery, and seven years later, a petrochemical plant was built on the adjacent land and began supplying ethylene to the Shunan Industrial Complex. Although the oil refining function was suspended in 2014, the company continues to operate mainly for the production of petrochemicals and the supply of raw materials to the Shunan Industrial Complex.
On the other hand, Tokuyama Complex is making steady progress toward becoming a "CNX Center" in order to achieve carbon neutrality by 2050, such as building a CO2-free ammonia supply chain and starting operation of a biomass power plant that uses carbon-neutral raw materials. (CNX: Carbon Neutral Transformation) Tokuyama Complex will continue to work together with the local community, continue to operate safely and stably, and continue to take on the challenge of becoming the Complex needed by the local community.
Introduction of Tokuyama Complex
Overview
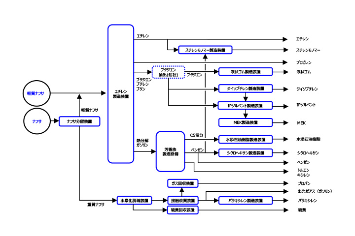
At Tokuyama Complex, we use naphtha and LPG as raw materials to produce a variety of petrochemicals including ethylene, propylene, paraxylene, and styrene monomer.
Learn more
Equipment capacity
Its ethylene production capacity is the second largest in Japan, with Tokuyama Complex responsible for 60% of its production.
Learn more
Site overview
Tokuyama Complex strives to efficiently arrange equipment and make effective use of raw materials in order to produce a variety of petrochemicals.
Learn more
Manufacturing flow
We have achieved an efficient production system by using the by-products of each equipment for utility equipment such as steam, electricity, and gas.
Learn more
Tokuyama Complex Initiatives
Safety initiatives
All employees at our Complex work together to carry out activities to prevent accidents from occurring, based on the principle of "safety first."
Learn more
Environmental Initiatives
When our Complex first began operations in 1957, it was established as a lush "park factory," surrounded by a green belt.
Learn more
Commitment to quality
In line with Complex consumer-oriented approach, we are promoting quality control activities to fulfill our mission of providing a stable supply of appropriate products that meet our customers' needs.
Learn more
Initiatives with local communities
Ever since it began operations, our Complex has consistently valued its ties with the local community and has engaged in activities as a good corporate citizen.
Learn more
Learn about Tokuyama Complex through video
About Tokuyama Complex
Content includes an overview of Tokuyama Complex began operations as Refinery in 1957, as well as "How petrochemicals are made,'' "Initiatives for safe operations,'' "Initiatives for environmental conservation,'' and "Working with the local community.'' We are introducing the video.